| Sign In | Join Free | My wneducation.com |
|
Brand Name : HongCe
Model Number : HJ0602
Certification : Third part calibration certificate(cost additional)
Place of Origin : China
MOQ : 1 set
Payment Terms : L/C, T/T
Supply Ability : 10 sets per month
Delivery Time : 20 days
Packaging Details : Plywood
Price : Negotiatable
Capacitance : 0.8U
Output polarity : Positive, negative, positive and negative cycle
Impact cycles : 1-9999
Impulse wavefront time : 1.2μs ±30%
Output voltage : 12kV (Max) ±5%
IEC60255-5 Test Equipment Impulse Voltage Test Generator
Parameters:
| Output voltage | 12kV (Max) ±5% | |
| Impulse wavefront time:
| 1.2μs ±30% | |
| Half value of after wave time | 50μs ±20% | |
| Capacitance | 0.8U | |
| Output polarity | Positive, negative, positive and negative cycle | |
| Output resistance (optional) | 2Ω,500Ω±10% | 12Ω,500Ω±10% |
| Impact mode | Automatic or manual | |
| Impact cycles | 1-9999 | |
| Impact interval time | 3-999s(3s of which is the inherent charging time of the device) | |
| Power source | AC220±10%,50/60Hz | |
| Dimension | 470mm×260mm×500mm | |
| Weight | 30kg | |
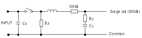
Pulse generating unit equivalent circuit:

Output waveform definition Voltage wave
Leading edge time: T1=1.67T=1.2μs±30%
Half-peak time: T2=50μs±20%

Application:
Impulse Voltage Tester HJ0602 is manufactured in accordance with the IEC60255-5 "Insulation Test of Electrical Relays" promulgated by the International Electrotechnical Commission (IEC), measuring the insulation coordination of relays and protective devices, and performing impulse voltage tests.
Feature:
7-inch touch LCD interface, rich in functions, easy to operate, easy to upgrade software
Intelligent programmable high voltage power supply, built-in high voltage over voltage, over current and short circuit protection
Output intelligent detection, voltage error, no output warning
|
|
IEC60255-5 Test Equipment Impulse Voltage Test Generator Output Resistance 2Ω、500Ω±10% Images |